I´ve understood that a PNP Fuzz "fixed up for negative ground" means problems, but I did not know this when I ordered a Tonebender Mk-lll kit of such a kind.
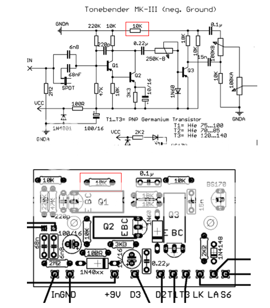
Here´s the schematic

I built the pedal today, and it does work and sound quite OK, but something MUST be wrong...
I can't bias it any lower than a little below 6V no matter what I do.
I´m using a 22k trimpot, instead of the 18k resistor, but even when I turn it down to "min" the bias remains about 6V... (I´ve tried fixed resistor but with the same results)
I get these voltage readings:
- Q1
Collector = 5,73V
Base = 7,37V
Emitter = 7,48V
- Q2
Collector = 5,74V
Base = 7,48V
Emitter = 7,68V
- Q3
Collector = 5,72V
Base = 8,88V
Emitter = 7,99V
I'm new to this, but something is really wrong, right? (This is my first germanium fuzz and I really don´t know much about leakage and such...)
The pedal also does oscillate at the highest gain settings with the mine toggle switch in the "fat mode"... (In this mode there´s also a noticable low frequency/ground hum)
I really would need, and apprciate, some help!

