Vox - Cooltron Line of pedals
- Dirk_Hendrik
- Old Solderhand
Information
Suggested reading:markr wrote:Anyone know what Vox is doing with the heaters and plates in these tube pedals?
http://www.pat2pdf.org/patents/pat7053710.pdf
- bajaman
- Old Solderhand
Information
- Posts: 4512
- Joined: 26 Jun 2007, 21:18
- Location: New Brighton, Christchurch, NZ
- Has thanked: 566 times
- Been thanked: 2014 times
YESAnyone know what Vox is doing with the heaters and plates in these tube pedals?
bajaman
- Kaos
- Breadboard Brother
a interesting read. thxDirk_Hendrik wrote:Suggested reading:
http://www.pat2pdf.org/patents/pat7053710.pdf
- Dirk_Hendrik
- Old Solderhand
Information
Because it's unlogical?
Anjd why did mr Mieda (a designer who I really DO respect very much) come up with this? Because, just as the tube configiration uses in the Fender performer and Rockpro amps (patented) as well as in a Radial Tonebone are ways to work around the BK Butler tubedriver patent which covers about every variation in it's theme.
Anjd why did mr Mieda (a designer who I really DO respect very much) come up with this? Because, just as the tube configiration uses in the Fender performer and Rockpro amps (patented) as well as in a Radial Tonebone are ways to work around the BK Butler tubedriver patent which covers about every variation in it's theme.
- bajaman
- Old Solderhand
Information
- Posts: 4512
- Joined: 26 Jun 2007, 21:18
- Location: New Brighton, Christchurch, NZ
- Has thanked: 566 times
- Been thanked: 2014 times
SORRY guys - Mr Mieda of Korg Japan may have patented a very interesting tube application - running off low volts - signal applied at the plate and taken out at the grid etc. ( I have built - and it is very very very sensitive to a slight change in volts to get it to work - more later!!)
BUT .....wait for it.... it is NOT the circuit element in the VOX cooltron pedals - I know, because I have the factory schematics for three of them!!!! They are just tubesreamer type circuits with a standard valve configuration after the distortion stage ,running off low heater volts
bajaman
BUT .....wait for it.... it is NOT the circuit element in the VOX cooltron pedals - I know, because I have the factory schematics for three of them!!!! They are just tubesreamer type circuits with a standard valve configuration after the distortion stage ,running off low heater volts
bajaman
- bajaman
- Old Solderhand
Information
- Posts: 4512
- Joined: 26 Jun 2007, 21:18
- Location: New Brighton, Christchurch, NZ
- Has thanked: 566 times
- Been thanked: 2014 times
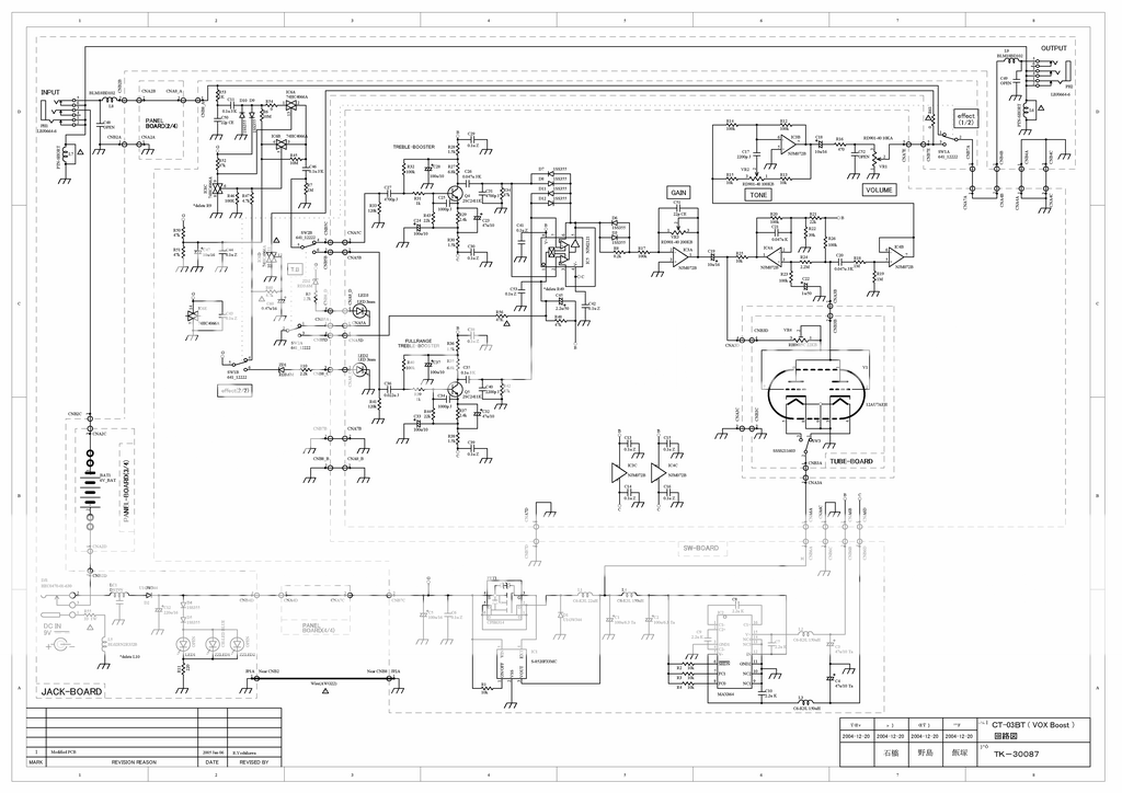
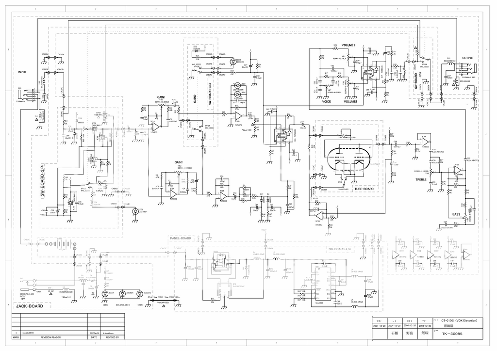
These crawled into my hands - honest
https://i197.photobucket.com/albums/aa2 ... age_03.png
https://i197.photobucket.com/albums/aa2 ... age_07.png
https://i197.photobucket.com/albums/aa2 ... age_11.png
enjoy
bajaman
https://i197.photobucket.com/albums/aa2 ... age_03.png
https://i197.photobucket.com/albums/aa2 ... age_07.png
https://i197.photobucket.com/albums/aa2 ... age_11.png
enjoy
bajaman
- invictus
- Breadboard Brother
thanks bajaman!
.
one of these days, i should ask you what it takes to have hands which act as schematic magnets...
.
the vox catalog and flyers says so much blurb about these tube pedal series... once again, a huge marketing bull$#!t was shattered here.
.
one of these days, i should ask you what it takes to have hands which act as schematic magnets...
.
the vox catalog and flyers says so much blurb about these tube pedal series... once again, a huge marketing bull$#!t was shattered here.
Last edited by invictus on 26 Jul 2007, 10:10, edited 1 time in total.
"im the master of my fate, im the captain of my soul... " -invictus
- analogguru
- Old Solderhand
Information
Thanks !!!
Hey cool, there is real good electronic inside for the money - not like an SHO or other Zvex-es.....
But "tubescreamer-like" is a little bit unprecise cause the diodes in the feedback loop are in an inverting configuration which causes a different clipping than in a non inverting configuration.
But one question:
Why do you save a schematic in true-color ?
The first schematic (maybe even downscaled) needs 377k !!!
If you would use the freeware XnView and convert the scan to 16 grey-values it takes only 77kb, so with the same file-size you can get the double resolution. With this even the compponent values could be read.
A black-white page with 300 dpi resolution takes between 60 and 100k.
analogguru
Hey cool, there is real good electronic inside for the money - not like an SHO or other Zvex-es.....
But "tubescreamer-like" is a little bit unprecise cause the diodes in the feedback loop are in an inverting configuration which causes a different clipping than in a non inverting configuration.
But one question:
Why do you save a schematic in true-color ?
The first schematic (maybe even downscaled) needs 377k !!!
If you would use the freeware XnView and convert the scan to 16 grey-values it takes only 77kb, so with the same file-size you can get the double resolution. With this even the compponent values could be read.
A black-white page with 300 dpi resolution takes between 60 and 100k.
analogguru
Last edited by analogguru on 26 Jul 2007, 10:56, edited 1 time in total.
There´s a sucker born every minute - and too many of them end up in the bootweak pedal biz.
The Cooltron pedals use a lot parts that were custom made for Korg, esp. for the tube circuit.
I have seen the partlist for the pedals and to me the only thing maybe worth for a DIY-build is the treble booster (known as Brian May T-Boost) in the Big Ben OD.
JHS
I have seen the partlist for the pedals and to me the only thing maybe worth for a DIY-build is the treble booster (known as Brian May T-Boost) in the Big Ben OD.
JHS
- analogguru
- Old Solderhand
Information
This is really funny:
Korg is cloning a wrong schematic.
At Geofex you can find the schematic of a "May treble boost":
http://www.geofex.com/FX_images/BrianMayboost.jpg
Sadly this is a modified version of the original "Guild/Cornish - Brian May Box".
Korg uses the exact same values as the "May treble boost" but the original "Brian May Box" has for the input cap a 10n (instead of the 4n7) 2k2 instead of the 1k, 100p instead of 1n (B-E cap) and 2k2 instead of 2k4 (as the emitter resistor). Maybe the original design was changed in 1993 but Korg seems not to clone original stuff, instead Korg seems to clone DIY-stuff....
analogguru
Korg is cloning a wrong schematic.
At Geofex you can find the schematic of a "May treble boost":
http://www.geofex.com/FX_images/BrianMayboost.jpg
Sadly this is a modified version of the original "Guild/Cornish - Brian May Box".
Korg uses the exact same values as the "May treble boost" but the original "Brian May Box" has for the input cap a 10n (instead of the 4n7) 2k2 instead of the 1k, 100p instead of 1n (B-E cap) and 2k2 instead of 2k4 (as the emitter resistor). Maybe the original design was changed in 1993 but Korg seems not to clone original stuff, instead Korg seems to clone DIY-stuff....
analogguru
There´s a sucker born every minute - and too many of them end up in the bootweak pedal biz.
- invictus
- Breadboard Brother
i could come up with the schematic of vox brian may special, which is being marketed as "identical sounding with BM Deacy amp.. "
..
..
"im the master of my fate, im the captain of my soul... " -invictus
About the patent:
www(dot)prodigy-pro(dot)com(slash)forum(slash)viewtopic.php?t=5064&highlight=vox
(sorry, I don't feel in the mood to post 5 dummy posts just now)
I have tried this connection at the lab, and it does work as described, but... there's a sweet spot (a little difficult to find because of the time it takes for the heater to heat/cool) for the heater voltage - too low or too high and it won't bias anymore. And this sweet spot changes from tube to tube, and I don't know if it drifts with time. Not practical at all. I wonder if a servo for the heater would be necessary. I didn't hear it with a guitar, just looked on the scope.
www(dot)prodigy-pro(dot)com(slash)forum(slash)viewtopic.php?t=5064&highlight=vox
(sorry, I don't feel in the mood to post 5 dummy posts just now)
I have tried this connection at the lab, and it does work as described, but... there's a sweet spot (a little difficult to find because of the time it takes for the heater to heat/cool) for the heater voltage - too low or too high and it won't bias anymore. And this sweet spot changes from tube to tube, and I don't know if it drifts with time. Not practical at all. I wonder if a servo for the heater would be necessary. I didn't hear it with a guitar, just looked on the scope.
- bajaman
- Old Solderhand
Information
- Posts: 4512
- Joined: 26 Jun 2007, 21:18
- Location: New Brighton, Christchurch, NZ
- Has thanked: 566 times
- Been thanked: 2014 times
Hi Guilherme and others
I tried it and agree with Guilherme's findings - one millivolt either way and you are out of the ballpark
I did try it with a booster in front and it does sound nice, but clearly more work developing the idea is necessary - it does run very cold too.
bajaman
I tried it and agree with Guilherme's findings - one millivolt either way and you are out of the ballpark
I did try it with a booster in front and it does sound nice, but clearly more work developing the idea is necessary - it does run very cold too.
bajaman
Sorry to bump such an ancient thread. But I think we were looking at the wrong patent:
http://www.google.com.br/patents/US7397 ... be&f=false
This one matches with the actual schematics. Look at fig. 2, very low plate and filament voltage (4V) and a bias servo built around an opamp.
Funny, this patent is dated 2008, 3 years after the release of the cooltron pedals and the other (inverted mode) patent... Smoke curtain?
http://www.google.com.br/patents/US7397 ... be&f=false
This one matches with the actual schematics. Look at fig. 2, very low plate and filament voltage (4V) and a bias servo built around an opamp.
Funny, this patent is dated 2008, 3 years after the release of the cooltron pedals and the other (inverted mode) patent... Smoke curtain?