Soul Sonic - Hunny Bunny, sweet overdrive
- soulsonic
- Old Solderhand
Information
Yeah, the top end does sound nicer with the 301, doesn't it?
"Analog electronics in music is dead. Analog effects pedal design is a dead art." - Fran
Hi
Just built and tested. Only had time to play around with it for a couple of minutes today. Sounds great throu the normal channel on my AC30. Used a B5K for the honey control. Thank you Soul Sonic !!!!
Regards
Dr. Molly
Just built and tested. Only had time to play around with it for a couple of minutes today. Sounds great throu the normal channel on my AC30. Used a B5K for the honey control. Thank you Soul Sonic !!!!
Regards
Dr. Molly
- soulsonic
- Old Solderhand
Information
Thanks!
I was just looking through my old notes, and 5k was what I had originally used there. Definitely better.

I was just looking through my old notes, and 5k was what I had originally used there. Definitely better.
"Analog electronics in music is dead. Analog effects pedal design is a dead art." - Fran
great sounding overdrive, nice dirty jangle in the lo gain setting, and then HEAVY and thick without mucking up at all. i built it into the enclosure i had originally used in my lovepedal pro valve build, with a 2nd footswitch adding a resistor in series with the pin2 side of the drive pot. i definitely needed the tone pot playing my strat thru my vibrolux, still tweaking the swtc values. my buddy plays lps thru marshalls, he's a treble junky and i bet he'd love it like this
quick question, i remember when i was comparing your pcb layout to your schematic, the pcb i think has a 100n cap parallel with the 1uf output cap? does putting these in parallel serve a special purpose besides giving you a 1.1uf output cap? i only ask because i've seen similar configurations of caps to ground in power filtering, like in some lovepedal designs (purple plexi, super six) a 47uf parallel with a 100n to ground. i dont know what the rationale of it is, but i doubt it's to achieve a 47.1 cap! just curious. i was out of 1uf's and used two 2.2ufs in series, hoping that was serendipitous.... cheers on a great pedal
quick question, i remember when i was comparing your pcb layout to your schematic, the pcb i think has a 100n cap parallel with the 1uf output cap? does putting these in parallel serve a special purpose besides giving you a 1.1uf output cap? i only ask because i've seen similar configurations of caps to ground in power filtering, like in some lovepedal designs (purple plexi, super six) a 47uf parallel with a 100n to ground. i dont know what the rationale of it is, but i doubt it's to achieve a 47.1 cap! just curious. i was out of 1uf's and used two 2.2ufs in series, hoping that was serendipitous.... cheers on a great pedal
- soulsonic
- Old Solderhand
Information
Thanks!
The reason for putting a lower value film (or ceramic) cap in parallel with a large electrolytic cap is because electrolytics usually have poor performance at high frequencies, so the smaller cap isn't there to change the overall value as much as it's there to help the highs to sound better.
You see it used in power circuits to help reduce high frequency noises. It's for the same reason; because of the bad high-frequency response of the electrolytic, but it's used in that case to help reduce high frequencies in the DC rail. The trick for it to work well in that application is for it to be located as close to the power supply pins of the opamp as possible. They even make sockets intended for logic chips which have this cap built in.
So anyway, you can include that cap if you want in the Hunny Bunny, but it's not absolutely necessary. You can feel free to experiment with a variety of different cap types.
The reason for putting a lower value film (or ceramic) cap in parallel with a large electrolytic cap is because electrolytics usually have poor performance at high frequencies, so the smaller cap isn't there to change the overall value as much as it's there to help the highs to sound better.
You see it used in power circuits to help reduce high frequency noises. It's for the same reason; because of the bad high-frequency response of the electrolytic, but it's used in that case to help reduce high frequencies in the DC rail. The trick for it to work well in that application is for it to be located as close to the power supply pins of the opamp as possible. They even make sockets intended for logic chips which have this cap built in.
So anyway, you can include that cap if you want in the Hunny Bunny, but it's not absolutely necessary. You can feel free to experiment with a variety of different cap types.
"Analog electronics in music is dead. Analog effects pedal design is a dead art." - Fran
- devastator
- Cap Cooler
do you think it's possible to incoporate a switch somewhere in that circuit to change gain or "color" ? (I've a box to fill and your circuit looks good but unfortunately this box has a hole for a switch)
That could work with another op-amp (like double aop) or the LM301 (that I don't have) is very necessary to get the good sound ?
That could work with another op-amp (like double aop) or the LM301 (that I don't have) is very necessary to get the good sound ?
- Whoismarykelly
- Resistor Ronker
You could stack opamps and use a switch on the ins/outs to swap between the two.devastator wrote:do you think it's possible to incoporate a switch somewhere in that circuit to change gain or "color" ? (I've a box to fill and your circuit looks good but unfortunately this box has a hole for a switch)
That could work with another op-amp (like double aop) or the LM301 (that I don't have) is very necessary to get the good sound ?
- soulsonic
- Old Solderhand
Information
Yes, you could easily add a switch to change the color of the sound. I recommend a switch to change different values in the feedback loop. You could switch between different values for C2. That would change the treble emphasis frequency.devastator wrote:do you think it's possible to incoporate a switch somewhere in that circuit to change gain or "color" ? (I've a box to fill and your circuit looks good but unfortunately this box has a hole for a switch)
That could work with another op-amp (like double aop) or the LM301 (that I don't have) is very necessary to get the good sound ?
I've tried variations of this circuit with LF411, CA3130, CA3140, and LM741. They all worked well with it, and I think nearly any single opamp can be used and get good results, just different variations in tone. The only thing you'd need to change is that some opamps, like the LF411 or 741, won't require C9 (the compensating cap). But, without the overcompensation, you will get a different response, so you may have to tweak other parts of the circuit to tune it to the sound you want. Overall, this is a versatile building block circuit that you can easily tune to get a variety of different distortion styles from it.
You can use a dual opamp; just use one half, and either tie the other half to ground, or you could use it as a buffer on the output.
"Analog electronics in music is dead. Analog effects pedal design is a dead art." - Fran
that makes a lot of sense, super helpful. thanks again martin
soulsonic wrote:Thanks!
The reason for putting a lower value film (or ceramic) cap in parallel with a large electrolytic cap is because electrolytics usually have poor performance at high frequencies, so the smaller cap isn't there to change the overall value as much as it's there to help the highs to sound better.
You see it used in power circuits to help reduce high frequency noises. It's for the same reason; because of the bad high-frequency response of the electrolytic, but it's used in that case to help reduce high frequencies in the DC rail. The trick for it to work well in that application is for it to be located as close to the power supply pins of the opamp as possible. They even make sockets intended for logic chips which have this cap built in.
So anyway, you can include that cap if you want in the Hunny Bunny, but it's not absolutely necessary. You can feel free to experiment with a variety of different cap types.
- Brink
- Degoop Doctor
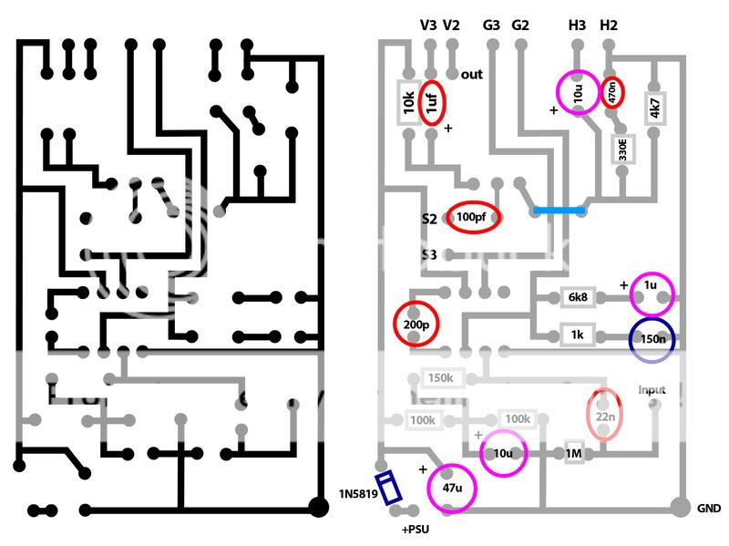
I also made a vero layout, without any mods. Mine is lacking the protection diode, but a bit simpler of a layout.
I rather like my practice of reversing the layout and putting huge red circles on to indicate trace cuts.
Do BS170s in layouts like this needs static protection diodes like in SHO-style circuits?
I like this circuit through my amp, but I also tried it through a Vox amp and the amount of high end was painful. It's a good candidate for a tone control.
I rather like my practice of reversing the layout and putting huge red circles on to indicate trace cuts.
Do BS170s in layouts like this needs static protection diodes like in SHO-style circuits?
I like this circuit through my amp, but I also tried it through a Vox amp and the amount of high end was painful. It's a good candidate for a tone control.
- soulsonic
- Old Solderhand
Information
The output of the opamp must be DC coupled to the FET. It won't work right otherwise.
"Analog electronics in music is dead. Analog effects pedal design is a dead art." - Fran
- borislavgajic
- Opamp Operator
Information
- Posts: 1542
- Joined: 27 Feb 2008, 14:23
- Completed builds: ...script phase90,ETI phaser,Ross phaser,mutronC200,vox wah,WH10,FW-3,mutronIII,DrQuack,Penfoldautowah,Tubezipper,
Dipthonizer,seekwah,Talkingpedal,morleywha
...soulpreacher,dynacomp,compulator
...buzzaround,fuzzfactory,screwdriver,sho,superdouper,St-9,RogerMayer octavia,Tychobrahe octavia,paralelluniverse,string damper,slowgear
...CE-2,ibanez fL301,EH theCloneTheory
EHX bassmicrosynth,EHX EnglishMuffin,Tube Phaser,springtubereverb ,greyDOD,FulldriveII mosfet,OCD,VOX repeat percussion,RingStinger,Meatball,12stage phaser.... - Location: Sombor , Serbia
- Has thanked: 131 times
- Been thanked: 277 times
soulsonic wrote: You can use a dual opamp; just use one half, and either tie the other half to ground, or you could use it as a buffer on the output.
or you could wire secound half paralell to first half ,and get kind of piggy back configuration?
would that make some tone changes?
boris.
- Brink
- Degoop Doctor
What's the SWTC trimmer at? This seems far less fizzy than my build.ibodog2 wrote:Audio demo of my vero build. Playing with cap switch/gain/honey controls. Telecaster with Seymour Duncan mini humbucker in the bridge position. Played into my "Warm Clean" setting on the Pod X3 with a little reverb.
http://www.formantfive.net/hunnybunnynoodle.mp3
- Mr. G.
- Resistor Ronker
Information
- Posts: 384
- Joined: 03 Jul 2008, 19:32
- my favorite amplifier: Undecided
- Completed builds: 3-loop + tuner out TB loop pedal
Eternity overdrive (Deaj perf layout)
YATS (many)
BOR
DLS
COT (Briggs mods)
Crunchbox
SHO (several)
Fuzz Factory
Several LM386 based distortions - Location: Nova Scotia, Canada
- Has thanked: 1 time
- Been thanked: 9 times
Hey ibodog2, would your PODx3 setting work on a PODxt? I think you posted a link to the line 6 edit file for the tone a while back in another thread, but it wouldn't load for me. Anyway you could maybe post a screenshot of it?
When using dirt pedals with my PODxt, I find that I usually have to tweak the POD to suit the pedal, rather than tweaking the peal to suit the POD/amp. Example... I have a tone that was created with my BriggsCOT50 on, and it sounds killer. However, it sounds like ass with my Crunchbox.
It can really get annoying being a "tweaker", but I still love it, ha ha. I doubt I even know what it's like to jam for 30 minutes without tweaking something.
Anyway, this looks like a really interesting circuit. I've got so much on my "to build" list that it's getting ridiculous!
When using dirt pedals with my PODxt, I find that I usually have to tweak the POD to suit the pedal, rather than tweaking the peal to suit the POD/amp. Example... I have a tone that was created with my BriggsCOT50 on, and it sounds killer. However, it sounds like ass with my Crunchbox.
It can really get annoying being a "tweaker", but I still love it, ha ha. I doubt I even know what it's like to jam for 30 minutes without tweaking something.
Anyway, this looks like a really interesting circuit. I've got so much on my "to build" list that it's getting ridiculous!
- Mr. G.
- Resistor Ronker
Information
- Posts: 384
- Joined: 03 Jul 2008, 19:32
- my favorite amplifier: Undecided
- Completed builds: 3-loop + tuner out TB loop pedal
Eternity overdrive (Deaj perf layout)
YATS (many)
BOR
DLS
COT (Briggs mods)
Crunchbox
SHO (several)
Fuzz Factory
Several LM386 based distortions - Location: Nova Scotia, Canada
- Has thanked: 1 time
- Been thanked: 9 times
Thanks! I'll give it a shot when I get home from work.
- Mr. G.
- Resistor Ronker
Information
- Posts: 384
- Joined: 03 Jul 2008, 19:32
- my favorite amplifier: Undecided
- Completed builds: 3-loop + tuner out TB loop pedal
Eternity overdrive (Deaj perf layout)
YATS (many)
BOR
DLS
COT (Briggs mods)
Crunchbox
SHO (several)
Fuzz Factory
Several LM386 based distortions - Location: Nova Scotia, Canada
- Has thanked: 1 time
- Been thanked: 9 times
I tried opening it with Line 6 Edit, but it said that this tone is not compatible with PODxt. Oh well, no big deal.
Great sounding pedal btw!
Great sounding pedal btw!
-
madbean
Information
Back home form my vacation, but too sick to work today. So, here was this morning's effort at firing my layout chops back up after two weeks away. I didn't include the schem...same part names I think as Martin's, except I added an LED and CLR.
Enjoy!
Oh, and I haven't built it yet. But, I'm looking forward to it....thanks, SS!
Enjoy!
Oh, and I haven't built it yet. But, I'm looking forward to it....thanks, SS!
- Brink
- Degoop Doctor
I'm always impressed by your layouts. What program do you use? I like the accurate component outlines.madbean wrote:Oh, and I haven't built it yet. But, I'm looking forward to it....thanks, SS!
You probably want to add some sort of tone control though.
-
madbean
Information
Thanks! It's Eagle, with a few customizations to the gaussmarkov library. A treble bleed could be added pretty easily offboard before the volume pot, but I might add a revision to the project for that. Or, would it make more sense before the mosfet to provide some gain recovery? I skimmed through this thread, but didn't read too deeply into the tone control discussion. SWTC is also a good option, of course.Brink wrote:I'm always impressed by your layouts. What program do you use? I like the accurate component outlines.madbean wrote:Oh, and I haven't built it yet. But, I'm looking forward to it....thanks, SS!
You probably want to add some sort of tone control though.
